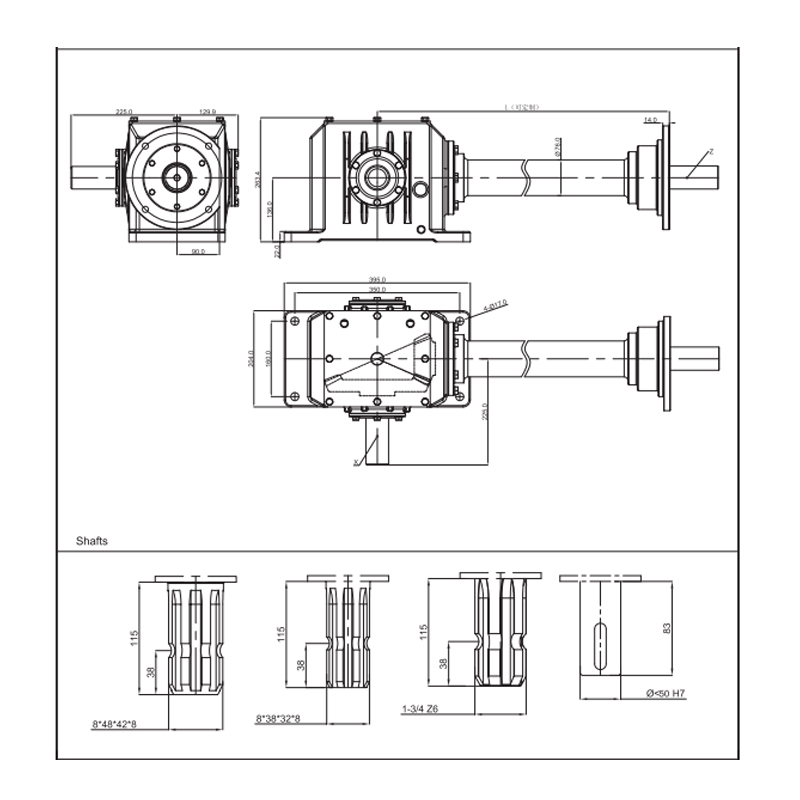
이것은 둥근 발거 및 정사각형 포장기를위한 통합 단일 샤프트 크러싱 기어 박스입니다. 기계 또는 트랙터의 전면 수직 상자를 통해 전원을 입력하고 회전 속도를 높이고 전력을 변속기 샤프트와 벨트를 통해 분쇄 절단기 샤프트로 전달합니다. 기계는 자르기 빨대를 분쇄 한 다음 재활용, 포장 및 재사용 또는 필드로 반환합니다. 통합 용접 파이프와 하프 샤프트 구조를 채택하여 쉽게 분해 및 유지 보수의 장점이 있습니다 .
이것은 둥근 발거 및 정사각형 포장기를위한 통합 단일 샤프트 크러싱 기어 박스입니다. 기계 또는 트랙터의 전면 수직 상자를 통해 전원을 입력하고 회전 속도를 높이고 전력을 변속기 샤프트와 벨트를 통해 분쇄 절단기 샤프트로 전달합니다. 기계는 자르기 빨대를 분쇄 한 다음 재활용, 포장 및 재사용 또는 필드로 반환합니다. 통합 용접 파이프와 하프 샤프트 구조를 채택하여 쉽게 분해 및 유지 보수의 장점이 있습니다 .
| 사용 | 비율 | 입력 | 산출 | ||||
| R.P.M | HP | KW | N.M | R.P.M | N.M | ||
| 속도 승수 | | | | | | | |
| 비고 : 특별한 요구 사항이 있으면 언제든지 알려주십시오. 사용자 정의도 받아들입니다 . | |||||||
